产品中心

联系人:林生
电 话:18938255684
邮 箱:18938255684@163.com
地 址:广东省东莞市诚信路1号
TYPE C防水线束
首页TYPE C防水线束产品详情





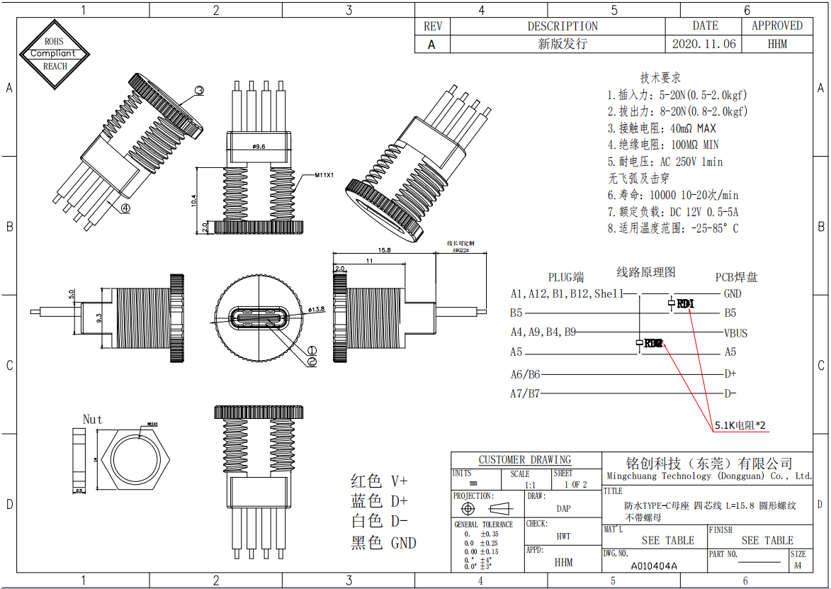
防水TYPE-C母座 四芯线 L=15.8 圆形螺纹 不带螺母
所属类别
发布时间
最后更新 浏览次数
料号:A010404A
插入力:5-20N (0.5-2.0kgf)
拔出力:8-20N (0.8-2.0kgf)
接触电阻:40mΩ MAX
绝缘电阻:100MΩ MIN
耐电压:AC 250V 1min,无飞弧及击穿
插拔寿命:10000 次(插拔速度 10-20 次 /min)
额定负载:DC 12V 0.5-5A
适用温度范围:-25℃~85℃
标准线长:定制
线材规格:定制
芯数:四芯
内置配置:2 个 5.1K 电阻
线序定义:红色 (V+)、蓝色 (D+)、白色 (D-)、黑色 (GND)
详情介绍







