客服电话:18938255684
铭创科技(东莞)有限公司官方网站
铭创科技(东莞)有限公司
首页TYPE C防水线束产品详情
铭创科技(东莞)有限公司

TYPE C防水线束

首页TYPE C防水线束产品详情

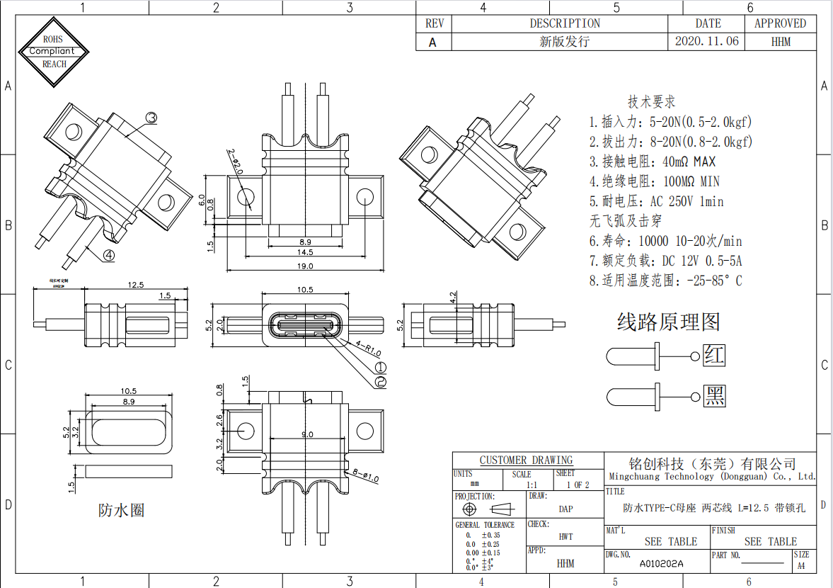
防水TYPE-C母座 两芯线 L=12.5 带横锁孔

所属类别 发布时间 最后更新 浏览次数
TYPE C防水线束 2026-04-07 19:31:58 2026-04-20 16:35:07 15

料号:A010202A

插入力:5-20N (0.5-2.0kgf)

拔出力:8-20N (0.8-2.0kgf)

接触电阻:40mΩ MAX

绝缘电阻:100MΩ MIN

耐电压:AC 250V 1min,无飞弧及击穿

插拔寿命:10000 次(插拔速度 10-20 次 /min)

额定负载:DC 12V 0.5-5A

适用温度范围:-25℃~85℃

芯数:两芯

线序定义:红色 (V+)、黑色 (GND)

详情介绍

A010202A防水TYPE-C母座 两芯线 L=12.5 带横锁孔.png

相关产品

铭创科技(东莞)有限公司 版权所有 © All rights reserved

网站地图 技术支持:深圳网站建设
客服电话
  • 18938255684
微信咨询